额温枪显示屏—TPZ


产品描述:
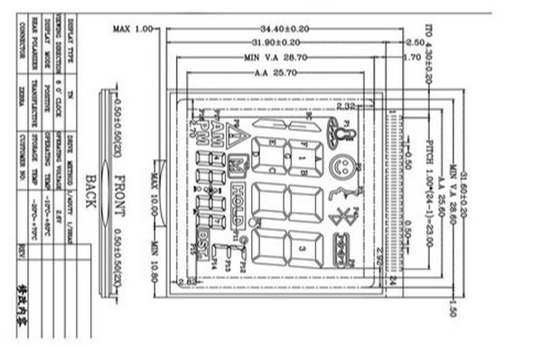
| Application(用途) | 额温枪 |
| Type(类型) | LCD |
| LCD Display Type(液晶屏类型) | TN |
| Connector(接口) | conductive tape |
| Display mode (显示模式) | 正显 |
| View angle(视角) | 6:00 |
| Display Size(液晶屏尺寸) | 31.6*34.4/31.6*31.9*0.55 |
| Driving method(驱动方式) | 1/3bias 1/4duty |
| Operation Voltage(工作电压) | 2.6 |
| Operate temperature(工作温度) | -10~60℃ |
| Storage temperature(储存温度) | -20~70℃ |
| Package (包装) | 无 |
| Warranty(质保期) | 一年 |
- 上一页: 血压计LCD显示屏—TPP
- 下一页: 血糖仪HTN段码屏
中文
English
中文
English